
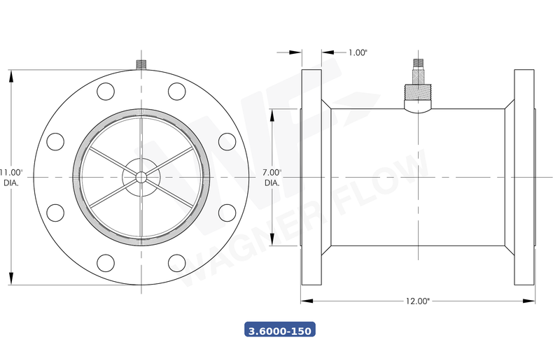
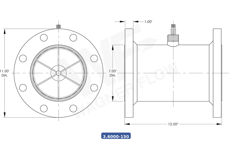
3-6000-150CS
6" x 6" FLANGED METER W/ CLASS 150 CARBON STEEL FLANGES
Add a Magnetic Pickup
Required for all totalizer setups. The 4-303 is the recommended pickup for this meter.
Specifications
Calibration Data
Compatible Accessories
Applications
Questions About This Meter?
Our team is ready to help with sizing, specifications, and custom requirements.
