
4-5024
Digital magnetic pickup for turbine flow meter signal output. High output voltage with solid epoxy encapsulation for reliable operation in demanding environments.
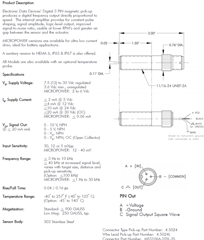
Electrical Specifications
Physical Specifications
Wiring & Connection
Compatible Meters
This pickup is designed for use with Wagner Flow turbine meters and most other popular meter brands.
Need Help Selecting a Pickup?
Our team can help match the right magnetic pickup to your meter and application.
