
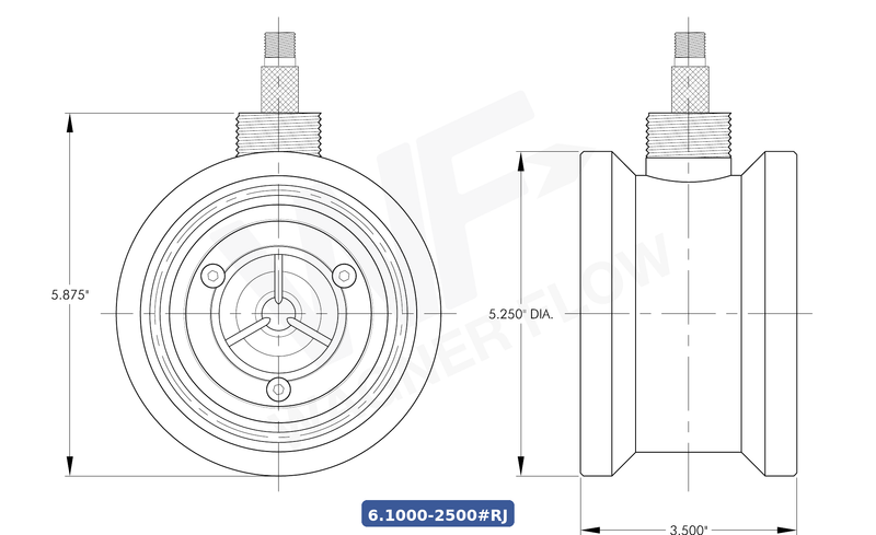
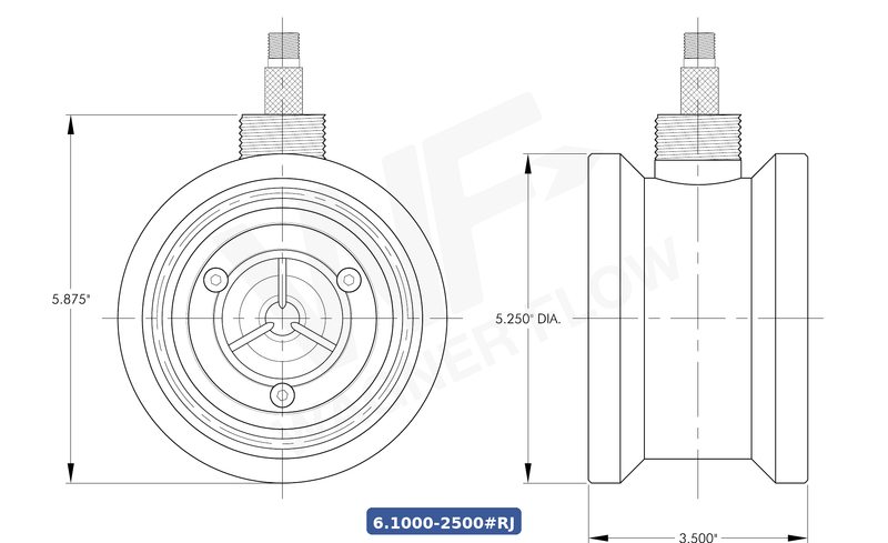
Between Flange Meter
6-1000-2500-RJ
1"x 2" RING JOINT FLOW METER
5-50 GPM
Flow Range
2500 PSI
Max Pressure
2"
Internal Size
Don't Forget!
Add a Magnetic Pickup
Required for all totalizer setups. The 4-303 is the recommended pickup for this meter.
View 4-303
$46.00
Specifications
5-50 GPM
Flow Range
2500 PSI
Max Pressure
±1%
Accuracy
±0.1%
Repeatability
316 SS
Body Material
Calibration Data
55
K-Factor (PPG)
365
Pulses per Sec
±0.1%
Linearity
-40°/250°F
Temp Range
Compatible Accessories
Applications
Oilfield Waterflood
Production Metering
Well Servicing
Pipeline Transfer
Mining Operations
Chemical Processing
Questions About This Meter?
Our team is ready to help with sizing, specifications, and custom requirements.
